X
Please Wait...
Search Suggestions
Related Products
Houston:
1-800-289-4756
Atlanta:
1-800-875-4756
Login
|
Register
Remember Me! |
Forgot Password
?
LOGIN
= GULF STATES
About Gulf States
Equipment Showcase
Testimonials
Events
Press
News
Support
Order Parts Online
Turn-Key Package Stores
Dry-Cleaning Stores
Vended Laundry Stores
Business Opportunities
Re-Tool
Installations
= Navigation
Home
Dry-Cleaning & Laundry Equipment
On-Premises Laundry Equipment
Coin-Laundry Equipment
Contact Us
Equipment
Dry Cleaning & Laundry Equipment
Cuff & Collar Presses
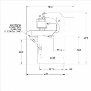
Unipress Double Tensioning Collar & Cuff Press
Product ID:
WCZ
The Unipress WCZ Double Tensioning Collar & Cuff Press finishes 2 shirts at once.
Highly Polished Plated Heads
High Pressure 8" Diameter Squeeze Cylinder
Microprocessor Controls w/ Timer
Self Diagnostics
Two Hand Safety Controls
Designed and Manufactured in the USA
Customer Login
Please enter your EMAIL ADDRESS and PASSWORD to Login!
Remember Me
LOGIN
Turn-Key Store Ideas