X
Please Wait...
Search Suggestions
Related Products
Houston:
1-800-289-4756
Atlanta:
1-800-875-4756
Login
|
Register
Remember Me! |
Forgot Password
?
LOGIN
= GULF STATES
About Gulf States
Equipment Showcase
Testimonials
Events
Press
News
Support
Order Parts Online
Turn-Key Package Stores
Dry-Cleaning Stores
Vended Laundry Stores
Business Opportunities
Re-Tool
Installations
= Navigation
Home
Dry-Cleaning & Laundry Equipment
On-Premises Laundry Equipment
Coin-Laundry Equipment
Contact Us
Equipment
Dry Cleaning & Laundry Equipment
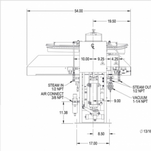
Drycleaning Presses
Unipress Hot Head Utility Press
Product ID:
42X & 45X
The Unipress 42X & 45X, are designed with the operator and owner in mind. Operators find this machine very practical because of the open area of the buck, allowing unrestricted movement of garments, which increases production and improves quality. Owners are impressed with the reliability and low-capital cost.
Customer Login
Please enter your EMAIL ADDRESS and PASSWORD to Login!
Remember Me
LOGIN
Turn-Key Store Ideas