X    Please Wait...
close
Search Suggestions
Related Products
Phone Houston: 1-800-289-4756
  Atlanta: 1-800-875-4756
Gulf States Laundry

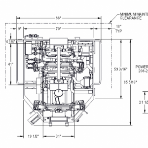
Unipress Hurricane Series Double Buck Rotary Shirt Unit

Product ID: HS2

Put the power in your hands- Improve quality, increase production and reduce your labor costs! The Hurricane Series Shirt Units produce beautifully finished shirts to electrify your shirt department and make it more profitable than ever. Standard Features Include - Fast, Smooth Transfer (Industry Leader) - Multi Pass Heat Exchanger - Scheduled Maintanence Indicator - Foot Operated Collar Clamp - High Pressure Squeeze - High Capacity Blower - Color Coded Air Lines - Microprocessor Controls w/ Selective Diagnostics - Foot Operated Cuff Clamps - Dedicated Vacuum System

Beautifully finishes fitted european cut/slim fit shirts size 14.5 and above


 

Credit Cards Accepted
Setting the Gold Standard

© 2020 Gulf States Laundry Machinery Company, All Rights Reserved. | Website Design by: IS&T
 
Transaction Processing