X
Please Wait...
Search Suggestions
Related Products
Houston:
1-800-289-4756
Atlanta:
1-800-875-4756
Login
|
Register
Remember Me! |
Forgot Password
?
LOGIN
= GULF STATES
About Gulf States
Equipment Showcase
Testimonials
Events
Press
News
Support
Order Parts Online
Turn-Key Package Stores
Dry-Cleaning Stores
Vended Laundry Stores
Business Opportunities
Re-Tool
Installations
= Navigation
Home
Dry-Cleaning & Laundry Equipment
On-Premises Laundry Equipment
Coin-Laundry Equipment
Contact Us
Equipment
Dry Cleaning & Laundry Equipment
Drycleaning Presses
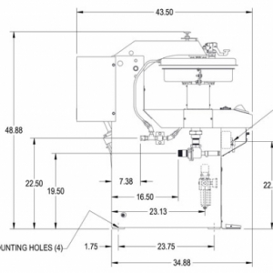
Unipress Sandwhich Double Legger Press
Product ID:
DC46S
The Unipress DC46 S is specifically designed to produce a top quality finish on all types of pants and fabrics. The unique design of the pressing head, buck and sandwich leaf eliminates side seam impressions and double creasing. The Unipress DC46S is a fast operating unit and very easy to operate, even trainees will quickly achieve high production and top quality.
Customer Login
Please enter your EMAIL ADDRESS and PASSWORD to Login!
Remember Me
LOGIN
Turn-Key Store Ideas